Ферритовые сердечники для индуктивных элементов трубчатого типа
Назначение
Ферритовые сердечники для индуктивных элементов трубчатого типа предназначены для изготовления дросселей, подстроечниковых катушек радио, электронной и бытовой техники, а также приборов и компонентов специального назначения.

Технические характеристики
| Магнитный параметр | Материал | ||||||||
| 9BH | 20BH | 30BH | 50BH | 80BH | 100BH | 400BH | 600BH | 1000HH | |
| Магнитная проницаемость | 9 | 20 | 30 | 50 | 80 | 100 | 400 | 600 | 1000 |
| Относительный тангенс угла магнитных потерь (*10-8) | 1150 | 300 | 170 | 180 | 30 | 80 | 18 | 22 | 50 |
| Магнитная индукция насыщения (mT) | 0,15 | 0,20 | 0,26 | 0,30 | 0,35 | 0,44 | 0,25 | 0,31 | 0,27 |
| Остаточная магнитная индукция (mT) | 0,80 | 0,10 | 0,70 | 0,20 | 0,16 | 0,33 | 0,12 | 0,14 | 0,15 |
| Коэрцитивная сила (А/m) | 1920 | 1000 | 520 | 70 | 40 | 50 | 3,5 | 1,5 | 0,4 |
| Максимальная частота tan d=0,1 (mHz) | 500 | 120 | 200 | 70 | 40 | 50 | 3,5 | 1,5 | 0,4 |
| Точка Кюри (°С) | 450 | 450 | 450 | 450 | 400 | 300 | 120 | 120 | 110 |
| Удельное электрическое сопротивление (Ωm) | 107 | 106 | 105 | 104 | 104 | 105 | 104 | 103 | 104 |
| Удельная плотность (кг/м3) | 4,0 | 4,5 | 4,7 | 4,7 | 4,5 | 4,9 | 4,8 | 4,8 | 4,8 |
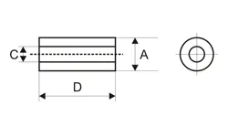
Таблица типоразмеров

| Размеры, мм | |||
| А | С | D | |
| Пт 2,45X1,3X2,5 | 2,45 | 1,30 | 2,50 |
| Пт 2,5X0,8X3 | 2,50 | 0,80 | 3,0 |
| Пт 2,5X1X3 | 2,50 | 1,00 | 3,00 |
| Пт 2,7X2X4 | 2,70 | 2,00 | 4,00 |
| Пт 2,85X1,65X3,75 | 2,85 | 1,65 | 3,75 |
| Пт 3X0,8X3 | 3,00 | 0,80 | 3,00 |
| Пт 3X1X3 | 3,00 | 1,00 | 3,00 |
| Пт 3,5X0,8X14 | 3,50 | 0,80 | 14,00 |
| Пт 3,5X0,9X6 | 3,50 | 0,90 | 6,00 |
| Пт 3,5X1,3X3 | 3,50 | 1,30 | 3,00 |
| Пт 3,5X1X5 | 3,50 | 1,00 | 5,00 |
| Пт 3,5X1,8X5,9 | 3,50 | 1,80 | 5,90 |
| Пт 3,8X0,8X8,3 | 3,80 | 0,80 | 8,30 |
| Пт 3,8X1X9 | 3,80 | 1,00 | 9,00 |
| Пт 3,9X1,3X5 | 3,90 | 1,30 | 5,00 |
| Пт 4X0,8X15-25 | 4,00 | 0,80 | 15,00 |
| Пт 4X2X25 | 4,00 | 2,00 | 25,00 |
| Пт 4X2,2X6-25 | 4,00 | 2,20 | 6,00 |
| Пт 4,1X0,8X6 | 4,10 | 0,80 | 6,00 |
| Пт 4,1X2X6 | 4,10 | 2,00 | 6,00 |
| Пт 4.2X2X15 (R) | 4,20 | 2,00 | 15,00 |
| Пт 4,2X2X15 (С) | 4,20 | 2,00 | 15,00 |
| Пт 4,5X1,5Х7 | 4,50 | 1,50 | 7,00 |
| Пт 4,5Х2,5Х7 | 4,50 | 2,50 | 7,00 |
| Пт 4,5X3X6 | 4,50 | 3,00 | 6,00 |
| Пт 4,7X2,75X25 | 4,70 | 2,75 | 25,00 |
| Пт 4,9X2X36 | 4,90 | 2,00 | 36,00 |
| Пт 5X2,3X15 | 5,00 | 2,30 | 15,00 |
| Пт 5X2,2X10 | 5,00 | 2,20 | 10,00 |
| Пт 6X2,2X30 | 6,00 | 2,20 | 30,00 |
| Пт 6X3,2X10 | 6,00 | 3,20 | 10,00 |
| Пт 6X3X15 | 6,00 | 3,00 | 15,00 |
| Пт 6,35X2,95X25,4 | 6,35 | 2,95 | 25,40 |
| Пт 6,35X3,2X12,7 | 6,35 | 3,20 | 12,70 |
| Пт 6,4X3,2X10 | 6,40 | 3,20 | 10,00 |
| Пт 6,5X4X10 | 6,50 | 4,00 | 10,00 |
| Пт 6,5X4,5X10 | 6,50 | 4,50 | 10,00 |
| Пт 6,7X4X14,2 | 6,70 | 4,00 | 14,20 |
| Пт 7.5X2.3X7.5 | 7,50 | 2,30 | 7,50 |
| Пт 7,8X4X13 | 7,8 | 4,00 | 13,00 |
| Пт 7,8X5X12,5 | 7.80 | 5,00 | 12,50 |
| Пт 8X5,3X15 | 8,00 | 5,30 | 15,00 |
| Пт 8,3X3,6X9,75 | 8,30 | 3,60 | 9,75 |
| Пт 8,7X6,3X15,7 | 8,70 | 6,30 | 15,70 |
| Пт 9X5X16 | 9,00 | 5,00 | 16,00 |
| Пт 9,05X4,7X16,2 | 9,05 | 4,70 | 16,20 |
| Пт 9,3X4,5X9,5 | 9,30 | 4,50 | 9,50 |
| Пт 9,3X6,35X15,7 | 9,30 | 6,35 | 15,70 |
| Пт 9,5X4,75X19,05 | 9,50 | 0,76 | 0,76 |
| Пт 9,5X4,8X14,5 | 9,50 | 4,80 | 14,50 |
| Пт 9,5X5X14,5 | 9,50 | 5,00 | 14,50 |
| Пт 9,5X5,2X9,5 | 9,50 | 5,20 | 9,50 |
| Пт 9.65X5X10.4 | 9,65 | 5,00 | 10,40 |
